Records and Results
| Homer (IEC-1) Steady-State Record | Homer (IEC-1) Pulsed Record | Helios (IEC-2) Steady-State Record | 3 HeCTRE Steady-State Record | |
| D-D fusion neutrons (n/s) | 2.4x108 | 5x109 | 1x107 | 2.7x107 |
| D-3He fusion protons (p/s) | 5x107 | -- | -- | 2x107 |
| 3He-3He fusion protons (p/s) | -- | -- | 1.1x103 | -- |
| Max Voltage | 190 kV | 120 kV | 170 kV | 150 kV |
| Max Current | 75 mA | 6 A | 75 mA | 35 mA |
IEC Lab Timeline
Scroll acoss to see entire timeline.
Neutron Production Records


Confirmed Detection of Highly Enriched Uranium (HEU)

Detection of 3He-3He Fusion Protons

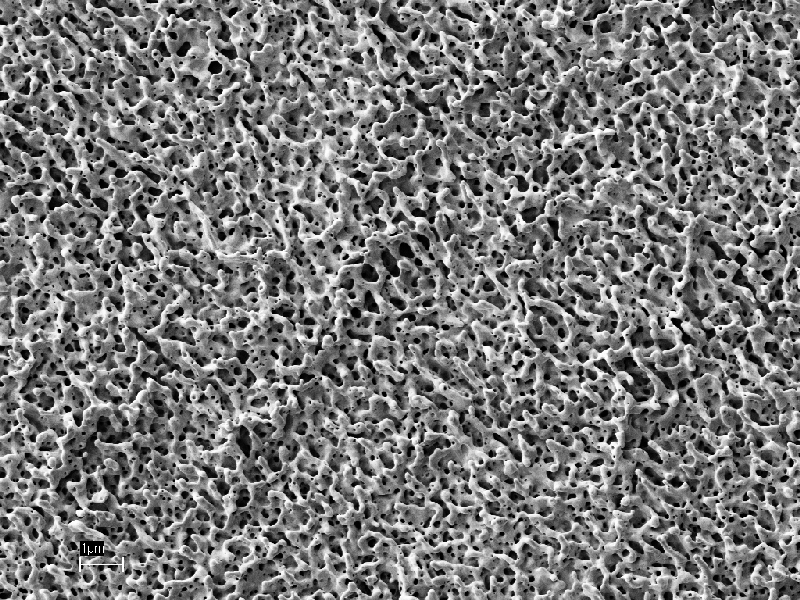
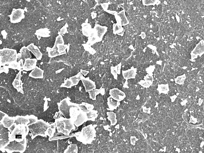
Fusion First Wall Materials Studies
The IEC can be used for high energy ion implantation into materials, providing a valuable tool for materials studies in a variety of applications.

Focused Ion Beam (FIB) analysis
![]() |
![]() |
![]() |
![]() |
![]() |
![]() |
![]() |
![]() |
![]() |
![]() |
![]() |
![]() |
![]() |












